Project - 74181_ALU
This program is a software implementation of the first ALU conceived, using my library mini_computer.
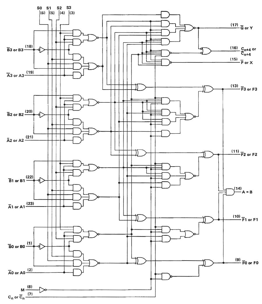
Here is an image of the ALU:

This program is a software implementation of the first ALU conceived, using my library mini_computer.
Here is an image of the ALU:
